قوانغدونغ رويزيت الكهربائية المحدودة.
قوانغدونغ رويزيت الكهربائية المحدودة.
منتجات
TO220 مقاوم طاقة الفيلم السميك
  • TO220 مقاوم طاقة الفيلم السميكTO220 مقاوم طاقة الفيلم السميك
  • TO220 مقاوم طاقة الفيلم السميكTO220 مقاوم طاقة الفيلم السميك
  • TO220 مقاوم طاقة الفيلم السميكTO220 مقاوم طاقة الفيلم السميك
  • TO220 مقاوم طاقة الفيلم السميكTO220 مقاوم طاقة الفيلم السميك
  • TO220 مقاوم طاقة الفيلم السميكTO220 مقاوم طاقة الفيلم السميك

TO220 مقاوم طاقة الفيلم السميك

تقدم RST Electric مقاوم طاقة بغشاء سميك TO220 - وهو مقاوم صغير الحجم وعالي الأداء مصمم لإلكترونيات الطاقة التي تتطلب إدارة حرارية فعالة وتجميع سهل. يوجد في عبوة بلاستيكية TO220 قياسية مع لسان تثبيت معدني، يوفر مقاوم الطاقة TO220 هذا 35 وات (PRT35) أو 50 وات (PRT50) عند درجة حرارة العلبة 25 درجة مئوية عند تركيب المبدد الحراري بشكل صحيح. مع نطاق مقاومة واسع يتراوح من 0.1Ω إلى 1MΩ وتفاوتات ضيقة تصل إلى ±0.5%، فهو مثالي لتبديل مصادر الطاقة ودوائر الصنبور ومكبرات الصوت وتطبيقات تنظيم الجهد. توفر العلبة البلاستيكية المقولبة مقاومة عزل عالية (> 10 جيجا أوم) وتتحمل قوة عازلة تبلغ 1800 فولت تيار متردد، بينما يضمن هيكل الغشاء السميك غير الحثّي أداءً مستقرًا في الدوائر عالية التردد.

يعمل مقاوم الطاقة ذو الغشاء السميك TO220 من RST Electric على سد الفجوة بين مقاومات الطاقة التقليدية عبر الفتحات والأجهزة المتقدمة المثبتة على السطح، مما يوفر الأداء الحراري لمكون قابل للتركيب على المبدد الحراري في بصمة TO220 المألوفة. تم تصميم مقاوم تثبيت المبدد الحراري هذا للتطبيقات التي تكون فيها مساحة اللوحة مرتفعة ولكن متطلبات تبديد الطاقة تتجاوز ما يمكن لمكونات SMD التعامل معه. تسمح حزمة TO220 بتركيب برغي واحد مباشرة على الهيكل أو المبدد الحراري، باستخدام مواد الواجهة الحرارية لنقل الحرارة بكفاءة بعيدًا عن العنصر المقاوم.


الهيكل الداخلي


يتكون البناء الداخلي لمقاومة الأغشية السميكة من طبقة مقاومة عالية الثبات موضوعة على ركيزة من الألومينا، والتي يتم بعد ذلك ربطها سلكيًا بإطار الرصاص وتغليفها في عبوة بلاستيكية مقولبة. يوفر هذا البناء خصائص عزل ممتازة، ويتحمل الفولتية التي تصل إلى 1800VAC ويحافظ على مقاومة العزل أكبر من 10GΩ. تضمن الطبيعة غير الحثية لتقنية الأغشية السميكة الحد الأدنى من الحث الطفيلي، مما يجعل سلسلة PRT مناسبة لدوائر التبديل عالية التردد حيث قد تؤدي المقاومات السلكية إلى تحول طور غير مقبول.


تصنيف القوة


تتوفر سلسلة PRT في تصنيفين للطاقة:

● PRT35 – 35 وات عند درجة حرارة 25 درجة مئوية (2.5 وات بدون المبدد الحراري)

● PRT50 – 50 وات عند درجة حرارة 25 درجة مئوية (3 وات بدون المبدد الحراري)

تمتد قيم المقاومة من 0.1Ω إلى 1MΩ، مع خيارات TCR تتراوح من ±50 جزء في المليون/درجة مئوية (لقيم الدقة أعلى من 10Ω) إلى ±300 جزء في المليون/درجة مئوية (لنطاقات أومية منخفضة أو عالية المقاومة). تشتمل التفاوتات القياسية على ±0.5%، و±1%، و±5%، و±10%، مما يستوعب كلاً من الأجهزة عالية الدقة وتطبيقات الطاقة للأغراض العامة. باعتبارها شركة مصنعة موثوقة لمقاوم طاقة الأغشية السميكة To220 في الصين، تجمع RST Electric بين أكثر من 10 سنوات من الخبرة في هندسة الأغشية السميكة والتصنيع الدقيق لتقديم مكونات توفر أداءً موثوقًا ومستقرًا في الدوائر الإلكترونية ذات الطاقة المطلوبة.


المواصفات الفنية

 

المعلمة

بي آر تي35

بي آر تي50

الطاقة المقدرة (مع غرفة التبريد)

درجة حرارة العلبة 35 وات عند 25 درجة مئوية

درجة حرارة العلبة 50 وات عند 25 درجة مئوية

الطاقة المقدرة (بدون غرفة التبريد)

2.5 وات عند 25 درجة مئوية

3.0 واط عند 25 درجة مئوية

نطاق المقاومة

0.1Ω – 1MΩ

0.1Ω – 1MΩ

تسامح

±0.5%، ±1%، ±5%، ±10%

±0.5%، ±1%، ±5%، ±10%

TCR (حسب نطاق المقاومة)

انظر الجدول أدناه

انظر الجدول أدناه

الحد الأقصى لجهد العمل

350 فولت

350 فولت

عازلة تحمل الجهد

1800 فولت تيار متردد

1800 فولت تيار متردد

مقاومة العزل

≥ 10 جيجا أوم عند 500 فولت تيار مستمر

≥ 10 جيجا أوم عند 500 فولت تيار مستمر

نطاق درجة حرارة التشغيل

-65 درجة مئوية إلى +150 درجة مئوية

-65 درجة مئوية إلى +150 درجة مئوية

الحث

غير حثي (فيلم سميك)

غير حثي (فيلم سميك)

مادة الرصاص

النحاس المعلب

النحاس المعلب

تصاعد

برغي واحد (M3) للمشتت الحراري

برغي واحد (M3) للمشتت الحراري

أقصى عزم الدوران

0.9 نيوتن متر

0.9 نيوتن متر

طَرد

TO220 بلاستيك مصبوب

TO220 بلاستيك مصبوب

امتثال

بنفايات، الوصول

بنفايات، الوصول

 

TCR حسب نطاق المقاومة


نطاق المقاومة

TCR (جزء في المليون/درجة مئوية)

0.1Ω – 1Ω

غير محدد (اتصل بالمصنع)

> 1Ω – 3Ω

±300 جزء في المليون/درجة مئوية

> 3Ω - 10Ω

±100 إلى ±200 جزء في المليون/درجة مئوية

> 10 أوم - 10 كيلو أوم

±50 إلى ±200 جزء في المليون/درجة مئوية

> 10 كيلو أوم - 1 ميجا أوم

±200 إلى ±300 جزء في المليون/درجة مئوية

 

الأداء الكهربائي

 

عنصر الاختبار

متطلبات

طريقة الاختبار

تي سي آر.

على أساس مقاومة مختلفة

بناءً على المقاومة المقاسة عند 25 درجة مئوية عند درجة حرارة الغرفة و105 درجة مئوية عند درجة حرارة عالية  

الزائد لفترة قصيرة

△R±0.3%

الطاقة المقدرة مرتين (أقل من أو يساوي 1.5 مرة الحد الأقصى لتحمل الجهد)، 5 ثوانٍ

تحميل الحياة

△R±1.0%

2000 ساعة عند الطاقة المقدرة

رطوبة

△R±0.5%

40±2 درجة مئوية، 90~95% رطوبة، 1000 ساعة بأقصى جهد تشغيل (1.5 ساعة تشغيل، 0.5 ساعة إيقاف)

قابلية اللحام

منطقة لحام فوق 90%

265 ± 5 درجة مئوية، 3 ~ 5 ثواني

اختبار الصدمة الحرارية

△R±0.3%

-65 درجة مئوية ~ 150 درجة مئوية، 100 دورة

قوة سلك الرصاص

△R±0.2%

2.4 ن

اهتزاز

△R±0.2%

20 جرام الذروة


● مواد سلك الرصاص: النحاس المعلب

● أقصى عزم دوران: 0.9 نيوتن متر

● يعتمد حد الطاقة على درجة حرارة سطح العبوة.

● قياس درجة الحرارة المطلوبة لقياس مركز لوحة المشتت الحراري.

● يجب وضع الكريم المبدد للحرارة بشكل صحيح


ما هي المزايا الأساسية لمقاوم طاقة الفيلم السميك To220؟


1.TO220 الحزمة القياسية - تعمل البصمة المتوافقة مع معايير الصناعة مع التثبيت اللولبي الفردي على تبسيط التكامل الميكانيكي والإدارة الحرارية.

2. كثافة طاقة عالية - 35 وات (PRT35) أو 50 وات (PRT50) عند درجة حرارة 25 درجة مئوية، مما يتيح تصميمات مرحلة الطاقة المدمجة.

3. نطاق مقاومة واسع - من 0.1Ω إلى 1MΩ في سلسلة واحدة، يغطي التطبيقات من الاستشعار الحالي إلى تقسيم الجهد عالي المعاوقة.

4. عزل ممتاز - يتحمل قوة عازلة تبلغ 1800 فولت تيار متردد مع مقاومة عزل > 10 جيجا أوم، مما يضمن السلامة في الدوائر ذات الجهد العالي.

5. البناء غير الاستقرائي - تكنولوجيا الغشاء السميك تقلل من الحث الطفيلي، مثالية لتطبيقات التبديل عالية التردد.

6.التفاوتات الدقيقة - متوفرة بـ ±0.5%، ±1%، ±5%، و±10% لتلبية متطلبات الدقة العالية والأغراض العامة.

7. خيارات TCR منخفضة - تصل إلى ±50 جزء في المليون/درجة مئوية لقيم الدقة> 10Ω، مما يضمن أداءً مستقرًا عبر اختلافات درجات الحرارة.

8. سهولة التجميع - تركيب لولبي M3 فردي مع عزم دوران أقصى يبلغ 0.9 نيوتن متر؛ يتم تغليف الخيوط للحصول على اتصالات لحام موثوقة.

9. تطبيقات متعددة الاستخدامات - مناسبة لتبديل مصادر الطاقة، ودوائر التحكم، ومضخمات الطاقة، وتنظيم الجهد، وتحميل النبض.

10. البناء القوي - العلبة البلاستيكية المقولبة تحمي العنصر المقاوم من الإجهاد الميكانيكي والملوثات البيئية.


تطبيقات المنتج


صناعة

تطبيق محدد

وصف

تبديل إمدادات الطاقة

مقاومات تحميل الإخراج

يوفر أحمالًا ثابتة لاختبار وتكييف مخرجات مصدر الطاقة.

دوائر السنوبر

يخفف ارتفاع الجهد في شبكات تبديل MOSFET وIGBT.

مكبرات الطاقة

تنكس الباعث

يعمل على استقرار التيارات المتحيزة في مراحل مكبر الصوت والترددات اللاسلكية عالية الطاقة.

شبكات زوبل

يوفر تثبيتًا للحمل لمخرجات مكبر الصوت من الفئة D والفئة AB.

دوائر النبض

تحميل النبض

يحاكي الأحمال العابرة في اختبار إمدادات الطاقة ودوائر تفريغ الطاقة.

الحد من التدفق الحالي

يحد من تيار بدء التشغيل في مصادر الطاقة ومحركات المحركات.

تنظيم الجهد

شبكات ردود الفعل

يوفر تقسيمًا مستقرًا للجهد في المنظمات الخطية والمحولة.

المقاومات النازفة

تفريغ مكثفات المرشح بأمان بعد انقطاع التيار الكهربائي.

الضوابط الصناعية

محرك السيارات Snubbers

يحمي مراحل العاكس من الجهد العابر في VFDs ومحركات المؤازرة.

دوائر الكبح

يبدد الطاقة المتجددة في تطبيقات فرملة المحركات الصغيرة والمتوسطة.

إلكترونيات السيارات

محولات DC-DC

الاستشعار عن التيار وردود الفعل على الجهد في أنظمة الطاقة المساعدة 12 فولت/48 فولت.

برامج تشغيل الإضاءة LED

الحد الحالي والاستشعار في وحدات إضاءة السيارات.

الاختبار والقياس

الأحمال الإلكترونية

يوفر تبديدًا دقيقًا للطاقة لأحمال التيار المستمر القابلة للبرمجة.

معايير المعايرة

مقاومات مرجعية مستقرة لمعايرة المعدات.


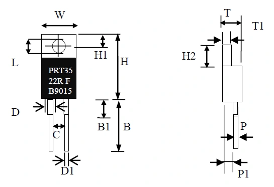
الرسم والأبعاد


To220 Thick Film Power Resistor

 

يكتب

W

H

H1

B

ب1

D

د1

L

C

T

T1

H2

P

ص1

بي آر تي35

10.16

±0.25

15.0

±0.3

2.9

±0.25

13.48

±0.78

الأعلى

4

1.27

±0.1

0.78

±0.08

3.84

±0.13

5.08

±0.25

4.6

±0.2

1..3

±0.11

6.23

±0.38

0.51

±0.15

2.27

±0.25

 

To220 Thick Film Power Resistor

 

يكتب

W

H

B

ب1

C

D

د1

T

P

ص1

بي آر تي50

10.44

±0.24

16.25

±0.25

12.70

±1.3

3.3

±0.76

5.08

±0.3

1.27

±0.3

0.76

±0.1

3.18

±0.26

0.55

±0.1

1.78

±0.26

 


تعليمات التعبئة والتغليف والنقل


تتحكم شركتنا بشكل صارم في كل خطوة نقل لضمان وصول مقاوم طاقة الفيلم السميك To220 بأمان.

بالنسبة للنقل السائب، يتم استخدام الأنابيب أو المنصات المضادة للكهرباء الساكنة للتغليف. يتم إغلاق كل مقاوم بشكل مستقل في كيس مضاد للكهرباء الساكنة، مصحوبًا بوسادة رغوية، مما يمنع بشكل فعال ثني الدبوس وتلف المكونات؛ يتم تثبيت رغوة إضافية في نهاية الدبوس لتجنب الصدمات أثناء النقل. كما يتم توفير خدمات التغليف المخصصة، مما يسمح بتعديل مواصفات التغليف وفقًا لمتطلبات الشراء.

قبل أن يغادر كل مقاوم المصنع، يخضع لاختبار كهربائي بنسبة 100%. يتم حزم فقط تلك التي اجتازت الاختبار. يتضمن الشحن قائمة التعبئة وتقرير الفحص والمواد الكاملة الأخرى. طريقة الشحن مرنة. يتم نقل طلبات الدفعات الصغيرة عن طريق خدمات البريد السريع الدولية مثل DHL أو FedEx، وطلبات الدفعات المتوسطة عن طريق الشحن الجوي، وطلبات الدفعات الكبيرة عن طريق الشحن البحري، مما يحقق التوازن بين الكفاءة والتكلفة. يجب أن يتم التخزين في بيئة جافة وجيدة التهوية، بعيدًا عن المواد المسببة للتآكل، لتجنب التأثير على أداء المنتج.


ميزة العرض المباشر من المصنع


كشركة مصنعة متخصصة في البحث وإنتاج مقاومات الطاقة ذات الأغشية السميكة To220، لدينا أكثر من 10 سنوات من الخبرة في الصناعة، ونحقق التحكم الذاتي الكامل في العملية بدءًا من اختيار السبائك وترسيب الأغشية السميكة إلى فحص المنتج، دون أي خطوات وسيطة. يلغي نموذج التوريد المباشر من المصنع العلاوة التي يتقاضاها الوسطاء، مما يسمح للمشترين بالحصول على منتجات عالية الجودة بأسعار مناسبة أكثر. في نفس الوقت، يمكننا توفير إنتاج مخصص وفقًا للمتطلبات، والمطابقة الدقيقة لسيناريوهات الاستخدام الفعلية لقيمة المقاومة، والطاقة، ومواصفات الدبوس.

لدينا نظام إنتاج كامل وحصلنا على شهادة الجودة ISO 9001. يخضع كل منتج لاختبارات صارمة ويلبي معايير الاستخدام في السيارات والصناعية. لدينا أيضًا فريق هندسي محترف يمكنه تقديم الدعم الفني وتحسين الحلول، مما يساعد المشترين على إكمال تكامل المنتج بكفاءة.


التعليمات


1. السؤال: ما مدى فعالية حماية العبوة؟

الإجابة: نحن نستخدم التغليف المضاد للكهرباء الساكنة والوسادة الرغوية. لنقل البضائع السائبة، نستخدم كرتونة خاصة. هناك تثبيتات إضافية على المسامير، والتي يمكن أن تمنع الصدمات والأضرار بشكل فعال أثناء النقل. وفي الوقت نفسه، يتم تقديم تقرير فحص مع البضائع للتأكد من سلامة المنتجات.


2. السؤال: ما هي السيناريوهات التي يمكن تطبيق مقاوم الطاقة للفيلم السميك To220 عليها؟

الإجابة: إنها مناسبة بشكل أساسي لسيناريوهات مثل إمدادات الطاقة والتحكم الصناعي وإلكترونيات السيارات. وهو يدعم التخصيص كامل الأبعاد، بما في ذلك الطاقة، وقيمة المقاومة، ومواصفات الدبوس، ونوع المحطة، وما إلى ذلك. ويمكن تعديله وفقًا للاحتياجات الفعلية لتلبية سيناريوهات الاستخدام المختلفة.


3. السؤال: هل جودة المنتج مضمونة؟

الإجابة: لقد خضع المنتج لاختبارات صارمة ويلبي معايير الموثوقية على مستوى السيارات. يأتي مع ضمان لمدة 12 شهرًا. كما يقدم خدمات تشخيص الأعطال عن بعد وتجديد قطع الغيار. يتم توفير تقرير اختبار كامل ووثائق التأهيل مع المنتج، مما يضمن عملية شراء خالية من القلق طوال العملية.


4. السؤال: ما هي مدة دورة التسليم؟

الجواب: نحن نقدم العرض المباشر من المصنع، مما يسمح بالتعديل المرن لدورة الإنتاج. بالنسبة للنماذج القياسية، وقت التسليم هو 10-15 يوم عمل. بالنسبة للنماذج المخصصة، فمن 15-25 يوم عمل. يمكن تعديل وقت التسليم وفقًا لمتطلبات الشراء، كما يتم توفير الدعم الفني أيضًا.



 

 

الكلمات الساخنة: TO220 مقاوم طاقة الفيلم السميك ، الشركة المصنعة والمورد
إرسال استفسار
معلومات الاتصال
  • عنوان

    رقم 13، طريق نورث شور، مدينة هوانغجيانغ، مدينة دونغ قوان، مقاطعة قوانغدونغ، الصين

  • بريد إلكتروني

    tom@rst-electric.com

إذا كان لديك أي استفسار حول عرض الأسعار أو التعاون، فلا تتردد في إرسال بريد إلكتروني أو استخدام نموذج الاستفسار التالي. سيتصل بك مندوب المبيعات لدينا خلال 24 ساعة.
X
نحن نستخدم ملفات تعريف الارتباط لنقدم لك تجربة تصفح أفضل، وتحليل حركة مرور الموقع، وتخصيص المحتوى. باستخدام هذا الموقع، فإنك توافق على استخدامنا لملفات تعريف الارتباط. سياسة الخصوصية
يرفض يقبل